喜欢2次
团队名称:Great Bee
大家好,本团队此次分享的内容为通信接口模块的设计
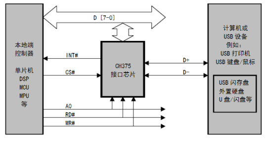
数据通信主要是采用CH375国产芯片设计的,它是一个USB总线的通用接口芯片,支持HOST主机方式和SLAVE设备方式。CH375具有8位数据总线和读、写、片选控制线以及中断输出,可以方便地挂接到单片机/DSP/MCU等控制器的系统总线上。在USB主机方式下,CH375还提供了串行通信方式,通过串行输入、串行输出和中断输出与单片机/DSP/MCU等相连接。CH375的USB主机方式支持各种常用的USB全速设备,外部ARM可以通过CH375按照相应的USB协议与USB设备通信。CH375以C语言子程序库提供了USB存储设备的文件级接口,这些应用层接口API包含了常用的文件级操作,可以移植并嵌入到各种常用的单片机程序中。

